产品快速通道
硬齿面减速机JRTK系列

- 产品参数:
- 产品型号: JRTK
- 额定功率:0.12~200KW
- 电压:null
- 转速/极数:null
- 减速比:5.36~17550
- 安装方式:null
详细参数
硬齿面减速机JRTK系列为斜齿轮-伞齿轮减速机,有底脚安装斜齿轮,底脚空心轴安装斜齿轮,底脚空心轴锁紧盘安装斜齿轮,B5法兰安装斜齿轮等型号。硬齿面减速机也叫硬齿面减速器或硬齿面减速箱。
硬齿面减速机JRTK系列有以下几种设计方案:
JRTKA..BD:底脚安装斜齿轮--伞齿轮减速电机
JRTKV..B D..:底脚花键空心轴(DIN5480)安装斜齿轮--伞齿
JRTHK..B D..:底脚空心轴锁紧盘安装斜齿轮--伞齿轮减速电机
JRTKF..B5 法兰安装斜齿轮--伞齿轮减速电机
JRTKAF..D:B5法兰空心轴安装斜齿轮--伞齿轮减速电机
JRTKVF..D:B5法兰花键空心轴(DIN5480)安装斜齿轮--伞齿轮减速电机
JRTKHF..D..:B5法兰空心轴锁紧盘安装斜齿轮--伞齿轮减速电机
JRTKA..D..:空心轴安装斜齿轮--伞齿轮减速电机
JRTKV..D..:花键空心轴(DIN5480)安装斜齿轮--伞齿轮减速电机
JRTKH..D:空心轴锁紧盘安装斜齿轮--伞齿轮减速电机
JRTKAZ..D..:B14法兰空心轴安装斜齿轮-伞齿轮减速电机
JRTKVZ..D..:B14法兰花键空心轴(DIN5480)安装斜齿轮--伞齿轮减速电机
JRTKHZ..D..:B14法兰空心轴锁紧盘安装斜齿轮--伞齿轮减速电机。
硬齿面减速机JRTK系列使用说明:
1.1安装注意事项
11.1 减速机须安装在平整坚固的底座上,底脚螺栓必须紧固、防震。
1.2使用注意事项
杰牌传动,产品遵循模块化、最优化设计理念,致力于打造中国一流的“精密传动”、“驱动模块”制造基地。 公司全套引进德国技术,拥有世界一流的加工检测生产线,产品出口欧美,替代进口,广泛服务于各大工业领域,专为中高端用户提供高可靠性的传动设备和服务!
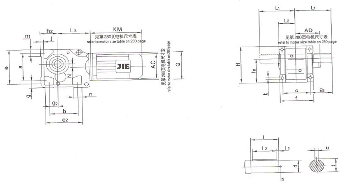
硬齿面减速机JRTK系列详细图纸:







粤ICP备11012611号
