产品快速通道
可逆电机60W

- 产品参数:
- 产品型号: 9RDG
- 额定功率:60W
- 电压:110~230
- 转速/极数:1300~1550
- 安装方式:立式
详细参数
可逆电机60W产品特点:
具有瞬时转换正转、反转功能;因采用平衡绕线方式,并内装简易制动机构能瞬时转换正转、反转,其正反旋转特性同样均匀且稳定;可逆电机能瞬时转换正、反转,但标准电机在旋转中若将接线转到反转,会发生旋转磁场和逆方向的转矩,故不能在旋转状态下立即反转,须待电机停止后方可反转。产品系统构成:
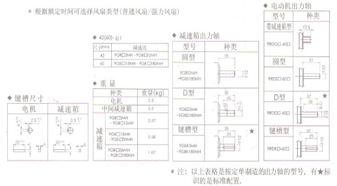
1.组合:电机+标准减速箱
减速比:1:3~1:180功 率:60W特 点:平行安装;尺寸小、安装方便 2.组合:电机+中间减速箱+标准减速箱
减速比:1:200~1:1800功 率:60W特 点:平行安装;减速比高达1800;尺寸小、安装方便 3.组合:电机+直角中实减速箱
减速比:1:3~1:180功 率:60W特 点:90 ° 直角交叉;节省安装空间 4.组合:电机+中间减速箱+直角中实减速箱
减速比:1:200~1:1800功 率:60W特 点:90 ° 直角交叉;节省安装空间;减速比高达1800 5.组合:电机+直角中空减速箱
减速比:1:3~1:180功 率:60W特 点:90 ° 直角交叉;节省安装空间;可与主机轴直联 6.组合:电机+中间减速箱+直角中空减速箱
减速比:1:200~1:1800功 率:60W特 点:90 ° 直角交叉;节省安装空间;可与主机轴直联;减速比高达1800 7.电机
功 率:60W特 点:法兰安装;高转速输出;输出轴为圆轴;尺寸小、安装 方便







粤ICP备11012611号
