产品快速通道
永元立式三相刹车马达

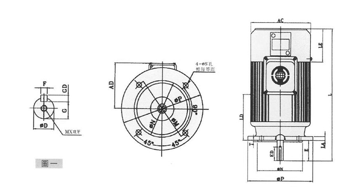
- 产品参数:
- 产品型号: AEVF
- 额定功率:1/4HP-60HP
- 电压:380V.220V
- 转速/极数:2级,4级,
- 安装方式:立式安装
详细参数
永元立式三相刹车马达:
采用直流刹车,低噪音,配合结线变化。可适用多种电源,特殊内部结构,刹车制动力高,马达刹车灵活,对于紧急停止及动停止频繁的耐力特强,防止机械逆转及惯性大的重负载在短时间内停止,性能优越。
特点:
刹车噪音低,采用DC刹车,无电磁声,刹车噪音极低。
刹车频率高,刹车来令片使用高级非石棉材质,可耐较高频度使用,磨耗率低,且无公害/
采用原装日本刹车器,比一般国产的刹车器耐磨,刹车片可以使用100000以上,使用寿命长
永元立式三相刹车马达最小1/4HP,最大100HP,欢迎您的来电查询
另我司还有通电刹车马达,
特点:1采用E级绝缘及高级导电材料,温升低,寿命长,性能优越 2外型轻巧,坚固耐用3优越的设计,噪音低,运转安静 4 启动转矩大,惯性小,运转顺畅,省电效果较佳,马达强劲有力。5特性合乎国家CNS及各项国际认证等标准。6标准IEC公制尺寸,具有互换性,适合各界需要






粤ICP备11012611号
